液氮罐在线监测

时间:2019-05-07 11:06来源: 作者:班德液氮罐 点击:
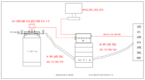
液氮罐补液控制系统由液氮补液罐、低温智能化控制系统、阀门组件控制电磁阀和真空比例阀箱、PLC编程器、智能化控制人机交互控制终端、不间断电源、温度及压力传感器监控探头系统及反馈电路系统组成,功能可根据客户需求,定制相关罐体自动增压-出液-排气的压力及流量控制程序。
  液氮罐补液控制系统可以根据客户需求扩展相关功能,用于客户应用不同的用途场所。如使用自增压液氮罐的智能化液氮冷却系统。储存型液氮罐的液氮罐补液系统液氮罐监控系统液氮存储监控,和氮气输出等用途,还可以作为冰箱后备液氮补液系统。该系统也主要应用于高压胶管液氮冷冻系统解决方案
控制系统的功能都可以在系统内部整合搭建,低温-196度阀体部件的耐老化程度高,可以常年使用,对液氮罐体的监控功能可以达到精准并上传网络实时报警的功能。为您的液氮罐或气瓶产品提供安全保证。保证液氮补液冲装的及时性能够得到保证。给冰箱,低温处理设备,液氮低温箱,速冻箱等产品提供超低温液氮保证。单一液氮罐,或者独立气瓶,多个气瓶都可以达到智能监控的目的。
产品功能:
  1. 可设定压力控制精度和范围。
  2. 可设定出液流量,精度等。
  3. 可设定增压调节,自动增压。
  4. 可根据外接客户设备接入的信号进行自动反馈行为
  5. 可提高/降低精度控制,人为干预电磁阀操作开阖
  6. 配合液氮容器进行智能化配套使用。
  7. 为客户进行其他定制化功能
  8. 可定制远程PC操控系统功能
 
液氮罐补液控制系统技术优势:
  1. 控制系统使用液晶大屏幕直观模式操作 可选7寸触摸屏或其他可选尺寸触摸屏
  2. 采用进口电磁阀
  3. 编程器采用西门子PLC
  4. 使用真空比例阀箱精细化调节流量
  5. 系统内部操作数据曲线可以导出
 
一  PLC大屏幕控制系统 (可定制远程操控)













 
 
 
 
 
 
 
二  西门子S7-200 SMART可编程控制器
S7-200 SMART SR/ST CPU 模块本体集成 1 个以太网接口和 1 个 RS485 接口,通过扩展 CM01 信号板或者 EM DP01 模块,其通信端口数量最多可增至 4 个,可满足小型自动化设备与触摸屏、变频器及其它第三方设备进行通信的需求,全新的 S7-200 SMART CPU 模块,可全方位满足不同行业、不同客户、不同设备的各种需求。
SR/ST 标准型CPU 可扩展 6 个扩展模块和 1 个信号板,适用于 I/O 点数较多,逻辑控制较为复杂的应用。
• SR/ST CPU 模块具备 20I/O、30I/O、40I/O、 60I/O 四种配置
• 集成高速处理器芯片,位指令执行时间可达 0.15μs
• 通过信号板可扩展通信端口、模拟量通道、数字量通道和时钟保持功能
• SR/ST CPU 模块本体集成以太网接口和 RS485 串口,支持以太网接口下载程序
• 支持 Modbus RTU、USS、PROFIBUS-DP、自由口通信等
• 本体最多集成 3 路 100KHz 高速脉冲输出
• 支持通用 Micro SD 卡下载程序、更新 PLC 固件和恢复出厂设置
• 新版编程软件,融入多项人性化设计,项目开发更加高效
• PM207为整个系统提供高品质的直流供电


 
 
 
机柜内部实拍图
 
 
通用7寸触摸屏操控界面
 
 
 
三  真空比例调节阀
真空比例调节阀是由多弹簧执行机构和调节阀组件组成,公称通径由20至300mm,公称压力1.6MPa,使用温度范围由-200℃~50℃。它以压缩空气为动作力,接受标准信号4~20mADC,将此转为与输入信号相对应的上下位移,改变阀门的开度位移,从而达到对工艺管路流体介质如压力、流量、温度、液位等参数的自动调节控制。
产品特点
1、采用平衡型阀芯,不平衡力小,允许压差大,操作稳定。
2、阀芯导向面大,可改善由涡流和冲击引起的振荡。
3、比普通的单、双座调节阀噪声降低10dB左右。
4、采用自对中无螺纹卡入式阀座结构和模块化设计, 阀门拆装方便。
5、调节切断型可采用软密封结构阀芯,达VI级泄漏标准(零泄漏)。
6、波纹管密封型调节阀对移动的阀杆形成完全的密封,堵绝流体外漏。
 
公称通径DN(mm) 20 25 32 40 50 65 80 100 125 150 200
额定流量系数KV 直线 7.6 12.1 19.4 30.3 48.3 75.9 121 193.6 302.5 484 759
等百分比 6.9 11 17.6 27.5 44 69.3 110 176 275 440 693
执行机构型号 正作用 ZHA-22 ZHA-23 ZHA-34 ZHA-45
反作用 ZHB-22 ZHB-23 ZHB-34 ZHB-45
额定行程L(mm) 16 25 40 60
膜片有效面积Ae(cm2) 280 400 600 1000
公称压力PN(MPa) 1.6 2.5 4.0 6.4
流量特性 直线 等百分比
法兰标准 GB/T9113 、 JB/T79
阀体材质 碳钢WCB(阀芯、阀座不锈钢304)、不锈钢304、316、珞钼钢等其它特殊材质可定做
允许泄漏量   0.01%×阀额定容量(硬密封)、零泄漏(软密封)
 作用方式  气关式 气开式 
信号范围Pr(KPa) 20-60、20-100、40-200、60-100、80-240
气源压力Ps(MPa) 0.14、0.25、0.28、0.40
输入信号 0~10V .DC或4~20mA.DC
输出信号 4~20mA.DC(添加功能)
使用环境 环境温度-20~70 ℃ 湿度 定位器:≤ 95%
其它功能 防护等级:IP55、隔爆标志:ExdⅡBT4(ExdⅡBT6特殊定制)、手操功能:添加
 
 
 
比例阀双系统设置及监控界面

 
 
集成客户设备 比例阀及PLC控制系统

 
 
 
四  进口超低温电磁阀
 
规格型号:Z10B
阀体材质:304不锈钢/黄铜
连接方式:G3/8(其他连接方式可定做)
公称尺寸:DN10
电源电压:DC24V(DC12V  AC110V AC220V)
工作压力:3MPA(其他压力可协商定做)
介质种类:液氮、液氧、液化气,低温介质
介质温度:-200℃
控制方式:常闭(常开)
 
 
 
 
五  数显远程液位计

 
 
六 液氮罐供液

 
 
七  客户案例示意图
客户案例示意图一

 
 
客户案例示意图 二

 
 
客户案例示意图 三